• Главная
  • Контакты
  • Наши партнеры
  • Вакансии
RuEnDe
Заказать обратный звонок
+7 (351) 245-06-22
  • Нефтепромысловое оборудование

    Наименование ЗПМ 65x35 ХЛ, ЗПМ 65x35 K1, ЗПМ 65x35 K2
    Рабочее давление, МПа 35
    Условный проход, мм    65
    Габариты, мм L (длина) – 350, B (ширина) – 320, H (высота) – 590
    Масса, кг не более 107 кг

    Подробнее
  • Нефтепромысловое оборудование

    Наименование ЗПМ 65x21 ГОСТ ХЛ, ЗПМ 65x21 ГОСТ K1, ЗПМ 65x21 ГОСТ K2
    Рабочее давление, МПа 21
    Условный проход, мм    65
    Габариты, мм L (длина) – 350, B (ширина) – 320, H (высота) – 590
    Масса, кг, не более 70 кг

    Подробнее
  • Нефтепромысловое оборудование

    Наименование ЗПМ 65x21/35 ГОСТ ХЛ, ЗПМ 65x21/35 ГОСТ K1, ЗПМ 65x21/35 ГОСТ K2
    Рабочее давление, МПа 21/35
    Условный проход, мм    65
    Габариты, мм L (длина) – 422, B (ширина) – 320, H (высота) – 590
    Масса, кг не более 70/107 кг

    Подробнее
  • Нефтепромысловое оборудование

    ВЕНТИЛЬ УГЛОВОЙ
    ВУ 50x14 ХЛ, ВУ 50x14 К1
    ТУ 3665-002-913143142-2010

    Подробнее
  • О компании
  • Каталог
  • Фотогалерея
  • Новости
  • Сервис
  • Робототехника
  • Контакты

produkte

Вернуться к каталогу
Home \ Produkte \ Ölfeldausrüstung \ Absperrschieber \

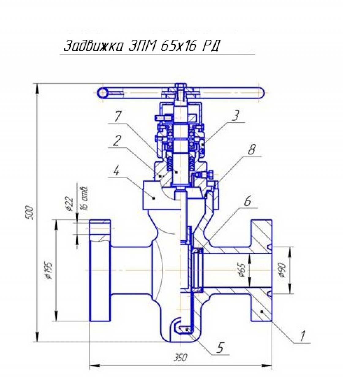
Absperrschieber ZPM 65x16

  • О компании
  • Каталог
  • Фотогалерея
  • Новости
  • Сервис
  • Робототехника
  • Контакты

© 2014. ООО «Арлиз». Все права защищены.
Использование материалов только с разрешения владельца.


ЗАО "Картель "Промснаб"

Обновить картинку
Обновить картинку